Google ATTRO website www
 
   
 
       

PPC-5070/5050
17"/15" TFT LCD Panel PC
Features Specifications Ordering Info Datasheet User's Manual

Large-View screen with comparable ultra slim size!
PPC-50XX series feature a modular design with varsatile options for different combinations like, aluminum/plastic front panel, removable HDD drive bay, and embedded board. The large view screen provides higher resolution but the whole system is still comparably slim by equipping thin-type FDD, CD-ROM etc.
CompactFlash is an alternative storage choice except hard drive. Its fanless requirement enables operation in a dusty environment, and is usually a better data reservoir. The unit also provides one half-size PCI card as an expansion slot.

Features
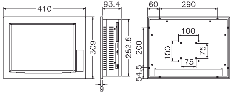
Panel mountable and VESA standard Arm mountable
Plastic/Aluminum front panel, meets NEMA 4 / 65 standard

Specifications
General Functions
Flat Panel
PPC-5070 PPC-5050 series

17" high brightness TFT LCD
Resolution: 1280 x 1024
Brightness: 250 cd/m2
LCD MTBF: 50,000 hours
Backlight MTBF: 50,000 hours

15" high brightness TFT LCD
Resolution: 1024 x 768
Brightness: 350 cd/m2
LCD MTBF: 50,000 hours
Backlight MTBF: 50,000 hours

Front Panel

Aluminum / Plastic made front panel, meet NEMA4 / IP65 standard

Expansion Slot Accepts one half-size PCI add-on card
Environmental and Mechanical
Operating Temperature 0�XC to 50�XC
Shock 10G acceleration peak to peak ( 11ms )

Vibration

5~17Hz , 0.1" double amplitude displacement 17~500Hz, 1.5G acceleration peak to peak
Weight (Net/GW) PPC-5050A: 8/12 kg, PPC-5052: 8.5/12.5 kg, PPC-5070: 10/14 kg
Color White(Pantone 413C), Dark Blue (Pantone 433C)

  PPC-5070 PPC-5050A PPC-5052
SBC POS-370 / POS-566 / POS-EDEN-400
Display Type 17" TFT LCD 15" TFT LCD
Max. Resolution 1280 x 1024 1024 x 768
HDD Drive Bay 2 x 2.5"
internal HDD
1 x 2.5"
internal HDD
1 x 3.5"
removable HDD
FDD Drive Bay 1 x 3.5" slim FDD 1 x 3.5" slim FDD 1 x 3.5" FDD
CD-ROM 1 x slim CD-ROM
Power Supply UPF200-AA 200W
Industrial ATX with PFC
ACE-916AP 150W AT Full Range with PFC

PPC-5070

PPC-5050A

PPC-5052


POS-370
Socket-370 Base Full Function POS Board with LCD/CRT VGA, 10/100Mbps Ethernet, DIO & Audio

POS-EDEN-400-64MB
Embedded Low Power VIA EDEN Full Function Board with LCD/CRT VGA, LAN,Audio, 64MB RAM

POS-566
Socket-7 Base Full Function POS Board with LCD/CRT VGA, 10/100Mbps Ethernet, DIO & Audio
Ordering Info
Model SBC Power Suppy Touch Screen
PPC-5070 C - AL 566 (POS-566)
370N (POS-370N)
370R (POS-370R)
E400-64MB
(POS-EDEN-400-64MB)
  T-R170B
T-C170B
PPC-5050A C - M 566 (POS-566)
370N (POS-370N)
370R (POS-370R)
E400-64MB
(POS-EDEN-400-64MB)
ACE-916AP T-R (T-R151B)
T-C (T-C151)
PPC-5052 C - M 566 (POS-566)
370N (POS-370N)
370R (POS-370R)
E400-64MB
(POS-EDEN-400-64MB)
  T-R170B
T-C170B
C (Color Code): D : Dark Blue; W : White
AL: Aluminum made front panel, None: Plastic
M : Front Panel Material Code
Option: RK-150: Rack Mount Kit
ARM-31: VLoading capacity from 7 to 14kgs
Note: PPC-5050A/5052 series plastic front panels are not suitable for capacitive touch screen
   

Copyright © 2016 ATTRO Technology Inc. All Rights Reserved.